"EP600 Grid parallel" What happens if I connect the Backup in parallel?

for now for installation 2 paralel bluetti ep600 i need 2 high voltage cabeles and 1 data cable,
all official dealers in my country don’t have it, after i write mail to Bluetti EU - they told me that this original cable out of stock and not i have 2 bluetti EP 600, iand i can’t connect it
clearly say Bluetti have worst service i ever had. Before you buy - they friendly, after you pay - out of stock and f//k off ). I clearly not recoment to other customers bluetty products, compluitelly out of service!

High voltage cable my enginier can do by himself,
but data cable - impossible,
Question is - maybe this cable are compatible with some othey company cables?


If I’m not completely mistaken, the ‘data cable’ for connecting the two EP600s in parallel is identical to the ‘data cable’ from the EP600 to the B500, or from one B500 to the next.
The cable set for connecting two EP600 units side by side in parallel is slightly different from the cable set for stacking them on top of each other in a tower. The ‘link port’ of the EP600 and the B500 have identical connectors, so the cables should also be identical…

To be completely honest, I understand your frustration, but I can’t relate to it. BEFORE (!) purchasing a second EP600, I asked which cables I would need for parallel connection. Bluetti EU then sent me an extremely favourable offer for a second EP600 + socket + cable set in a complete order.
Poor service is relative, just ask BEFORE…

yes, now i will ask before, but when i order B500+ep600 i not ask nothing and got all cable inside
the main rule of good service - all in box. like in Macdonalds, they not ask you about paper or strips, just give it to you,
i have another work, im not engineer and not expert in electro questions))

Dear BLUETTI Support Team,

I am a customer from Ukraine and I need your technical assistance.

Currently I have the following configuration of your equipment:

  • 1 × EP600 + 1 × B500 (already installed and working)
  • I have additionally purchased 1 × EP600 + 2 × B500

My goal is to build one common system based on:

  • 2 × EP600 (working in parallel)
  • 3 × B500 battery packs in total
  • Total power target of 12 kW, with approximately 4 kW available on each phase for my household loads

In addition, I would like to:

  • charge the system from the grid, from solar panels, and from a generator

Please help me with the following questions:

  1. What is the correct way to connect two EP600 units with a total of three B500 battery packs so that the system works safely and efficiently (off‑grid / backup mode) and can be charged from grid, solar, and generator?
  2. Could you provide the official installation / wiring manual or quick guide specifically for a system with 2 × EP600 in parallel and several B500 units (for example, PDF or direct link)?
  3. Which additional cables and accessories are required for such a configuration (battery cables, communication cables, AC / backup parallel cables, CTs, etc.)?
  4. Can I order these original cables and accessories directly from BLUETTI or through an authorized partner in the EU / Ukraine, and what are their exact part numbers?
  5. Please also confirm if my target of a total of 12 kW and about 4 kW per phase is realistic and supported for a 2 × EP600 + 3 × B500 configuration, and what settings or limitations I should be aware of.

Thank you in advance for your support.

Hi @wpSpade
You need the cables and the wiring diagram as posted in this thread.

Ask at the BLUETTI Shop for the right part nr. or @BLUETTI will send the number to you ?
This parallel connection should also work with “only” three B500 batteries, but it is better if there is the same number of batteries on each side (e.g., 2x B500 per side). Otherwise, the single B500 will discharge twice as fast as the other two B500s, and when it reaches 0% SOC, the EP600 will shut down!

A quick guide can be found under Tech Spec:

1 Like

Hi @SigiKa

Thanks for the detailed comment. Here I see two types of connection: in the first one, batteries (B500) are paired, in the second — only inverters (EP600). Which of these two systems is more efficient if I buy one more B500 (to have 2+2 on each side)?​

You say that one battery discharges faster — but then why do they write that you can use an odd number in parallel?​

Also, do I understand correctly that as a result I will get 12 kW total and 4 kW per phase with such (or such) connection?

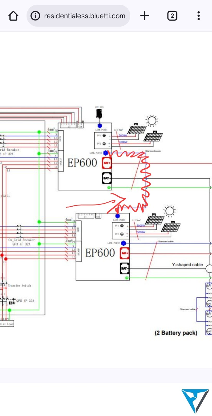
The second (lower) image shows the “old” version, which only allows on-grid parallel operation, but not off-grid. This means that in the event of a power failure, only the first (master) EP600 will work, while the second (slave) will remain inactive.
The first image (where the cables are shown separately on the left) is the “newer” version, which provides the full 12 kW (4 kW per phase) even in the event of a power failure.
I initially had the on-grid version myself, but then reordered the cable set for the off-grid version a few months later, so that both EP600s now work in parallel even in the event of a power failure.

1 Like

Additional information: The reason why an odd number of B500s is also possible is due to the third variant of the parallel connection, where both EP are positioned one above the other (!) on the B500:
image
This limits the maximum number of B500 units to three (due to the software and physically due to the weight, as no more than 5 units may be stacked). It cannot be expanded any further (except with the new cable set described above) and two stacks of EP600 with the B500 underneath.

1 Like

Thank you for this information! Before I buy the 4th battery, can I implement this 3rd option (vertical stack)? Question — is this assembly still current today?

I also understand that for 4 batteries or more, I need this scheme (horizontal with new cables)?

Yes, this one is the right scheme, with the new cables needed and two stacks side by side.
.
I would not use the vertical method, as you need special software (available from support on request via remote maintenance) and a special cable set.
In my opinion, the effort involved in dismantling the system again, purchasing a new cable set, reassembling the system, and requesting new firmware for the “horizontal” off-grid variant is not worth it.
Of course, it’s a question of money and availability. I also expanded my batteries gradually. Originally, I only had one EP600 with 2xB500, then I expanded every few months…

1 Like

@SigiKa Huge thanks for the detailed explanation! This really gave me confidence that I can get this system running. In Ukraine, BLUETTI service is very poor right now, and I was seriously doubting if buying this system was a mistake. But now I see a clear path forward and real hope that it will work.​

The only remaining question is getting the correct cable kit for this parallel off-grid configuration.

@BLUETTI — I sincerely hope you can help me obtain these cables so I can finally launch my 2×EP600 + 4×B500

Hello! Our technical team recommends using the EP2000 to replace the EP600 for the combined setup. Please see the image below.

If you have any other questions or need further information, please feel free to reach out.

Hi @BLUETTI
The EP2000 sounds very interesting; I’ve been following it for some time. But what should BLUETTI users, who already have two EP600s and several B500s installed, do?
The suggestion to simply switch to the EP2000 is great, but what do I do with my existing equipment? Do I just buy everything again and invest tens of thousands of euros a second time?
Does BLUETTI have an offer for device replacement (!) that is really interesting, or is it just a nice suggestion from technicians who don’t have to spend the money on a double purchase?

@BLUETTI Thank you for the advice, but I already bought EP600 and B500 batteries! As you can see, I haven’t installed them yet, but should I buy something new? That’s a powerful recommendation — please help me with this instead of telling me to buy new equipment? I need to install this system and I need the cables (parallel cables for 2×EP600 + 4×B500)!

Please can you share dealer of any country of the solar system that i can order cables for parallel connection 2* EP600. Bluetti has worstest services i ever see, almoust 2 months i mailing with some person in Germany, dealer, i thing, and nothing. Tel on website are off, whats going on )). Looks like joke and hiden cam filming me ))
my 2nd EP600 2 months like furniture, and i can send them back to dealer, bcs after 15 days they not accept return…
i think its imposible in 2026 - strongly not recoment Bluetti bsc of service !