Looking for Real Installation Examples for EP600 Electrical Panel

Hello everyone,

I’m from Ukraine and looking for help creating a proper distribution board (breaker panel) layout for connecting the Bluetti EP600 (with B500) to a residential electrical system.

In my region, this task turned out to be much more difficult than expected — mostly due to a shortage of qualified professionals and a number of installation mistakes that have already been made by others working with this model.

Because of the well-known situation in Ukraine, it’s currently very hard to find experienced electricians familiar with such systems. That’s why I’m turning to this international community for guidance.

I’m happy to adapt to EU or German standards if needed — especially if someone can share real-world installation examples:
:camera: photos,
:page_facing_up: component lists (with specific models, not just general labels), or
:triangular_ruler: DIN rail layout diagrams.

Any help would be deeply appreciated.

Why not just use the downloadable circuit diagram? It also includes the recommended values for the fuses and cable diameters. How/where it makes most sense to install it also depends on whether there is still space available in the distribution box.
I would also take into account what is already installed. There are simple fuses that only protect the phase, or fuses that protect the phase + neutral conductor, which in turn are available in 1.5 or 2 units wide…

I’m looking for a standard wiring schematic for integrating a Bluetti EP600 + B500 into a home’s main panel.

I’m in Ukraine, where we’ve recently adopted the EU electrical standards (230/400V @ 50Hz, based on IEC 60364), so any standard EU/IEC-compliant layout should be a great starting point.

I mainly need to see the correct arrangement of breakers, RCDs, and the transfer switch for the backup loads.

This schematic will be used as a template for a certified local electrician who will do the final design and installation according to our national code. I just want to ensure we start with a solid, proven concept.

Any examples or advice would be much appreciated.

I know, the right documents are hard to find on the bluetti homepage …
Try this link (german homepage, but some documents are still only in english): BLUETTI EP600 + B500 Hausbatteriespeicher - BLUETTI DE


.
scroll down, select “Technische Daten” and download this two documents (they are in english).

I don’t know if it is a permalink or random numbers: https://cdn.shopify.com/s/files/1/0610/6424/9522/files/EP600_Zusatzliche_Installationsinformationen_Kurzanleitung.pdf?v=1684898011
https://cdn.shopify.com/s/files/1/0610/6424/9522/files/EP600_Installationsinformationen_Installations-SOP_1.pdf?v=1684898180
If you don’t find the files, try clicking on the links on the homepage:

Thanks for the links!
Yes, I’ve seen those official diagrams — they’re useful, but I’m looking for something more practical.

If anyone has photos or a sketch of their EP600 + B500 distribution box (breaker layout, CT placement, wiring, etc.), that would really help. I just want to make sure my setup is safe and properly wired.

Thanks in advance!

I don’t know if it was helpful to see how the setup works in different conditions (other distributition box, more or less place free, …)
But okay, if it helps you come up with ideas, here’s an excerpt from my installation. However, I have a different setup, 2x EP600 in parallel.
.
2x EP600 in Garage with their own sub-distribution box



.
The Transfer-Switch in the main distribution box (counter), connected behind the “after counter breaker”, the CT’s and the smartmeter ADL400 from BLUETTI. (I have had already a transfer-switch in my counter, so I needn’t install a new one …)


.
But as mentioned before, a “real” electrician should already be able to work with the wiring diagram and put the right components in the right place.

2 Likes

Thanks a lot for the photos — that’s really helpful and much appreciated! :pray:
It gives me a much better idea of how the wiring and components could be arranged.

If by any chance you have a wiring diagram or a list of the main components used in your setup (breakers, selector, CTs, etc.), I’d be very grateful if you could share it.
Even a simple hand-drawn sketch or short description would help a lot.

Thanks again for taking the time to share this!

I just can share my private documentation of wiring diagram. But is it still the same as on the original BLUETTI wiring diagram, just rearanged for my own needings …
Here is a part from the counter:


.
and from my sub-distribution box in garage:

.
For a list of right components please ask your electrician, he have to know it …
.
As a little guide for your shopping list:
The RCD must always be larger than the fuse/breaker (e.g., 25A fuse, 40A RCD).
You size the fuse according to the diameter of the cable (= cable protection); there are plenty of lists available on the internet. (For 4mm² cable, I use a 25A fuse, for 2.5mm² a 16A fuse, and for 1.5mm² a 13A fuse).
I prefer 2-pole (or 4-pole for 400V three-phase current) fuses, but that depends on the conditions at your location…

2 Likes

Thanks again for all your advice — that’s really helpful and clear!

Here in Ukraine, especially outside the bigger cities, it’s quite hard at the moment to find qualified electricians who are willing to travel — the war situation makes logistics and availability quite complicated.
That’s why I’m trying to learn as much as I can before the installation.

By the way, I was wondering — did you or your electrician happen to make a basic single-line or overview diagram of your setup?
Not a full project, of course — I’m just curious to see roughly how the components were arranged in the distribution box.
Even a simplified sketch or partial view would be great for understanding the overall structure.

If I manage to get it properly installed here, I’ll be happy to post photos and details back — maybe it’ll help someone else in a similar situation.

Thanks again for your time and kindness!

1 Like

Дякуємо Вам за Вашу інформацію це було дуже пізнавально.

1 Like

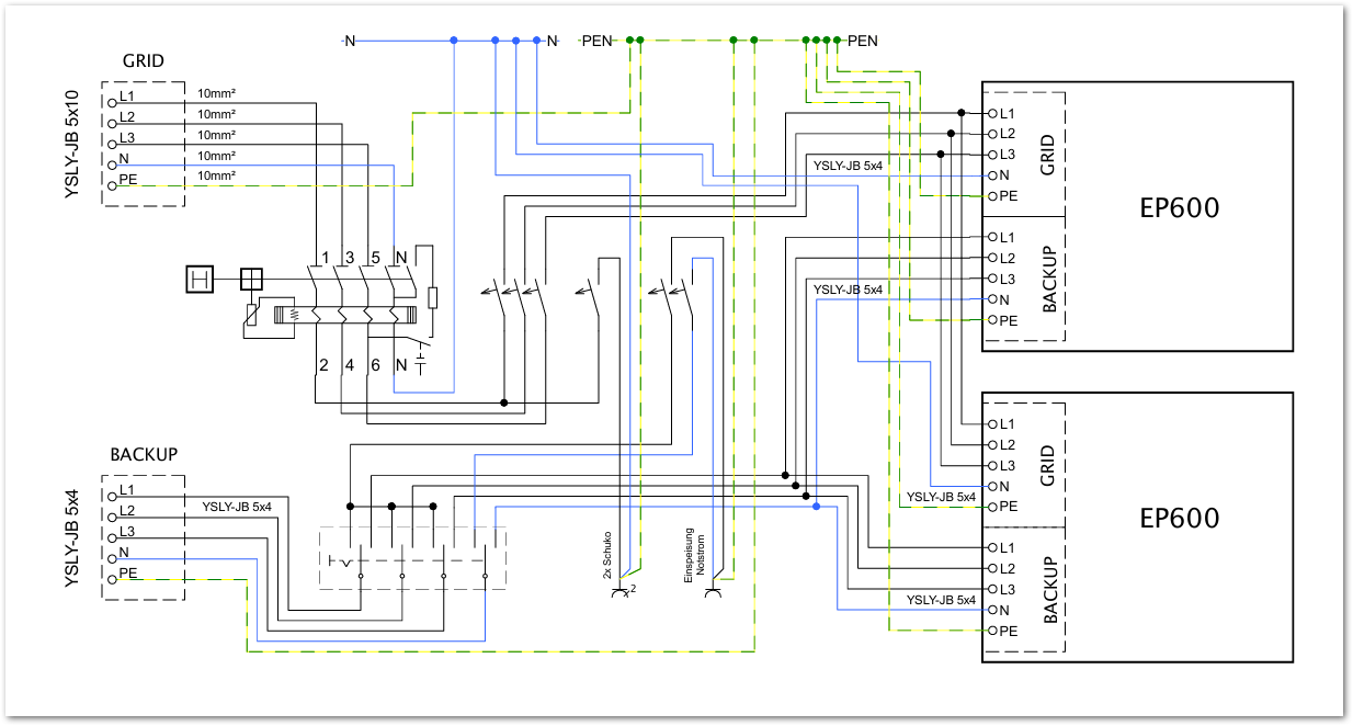
Hi SigiKa,

I noticed that your wiring diagram for the dual EP600 setup is based on a European-style layout with YSLY cables and PEN/N/PE separation, rather than the official Bluetti SOP diagram with QF-series breakers and transfer switches.

Could you please share why you chose this approach instead of the official Bluetti version?

Also, do you know how Bluetti themselves view this kind of adapted “real-world” wiring — is it considered fully compatible or just an unofficial practical solution?

Thanks a lot.


1 Like

It depends primarily on how the low-voltage network is designed in your area. A distinction is made between TT and TN-C-S networks, with the TN-C-S network being common in Austria (and Germany). However, you must NOT touch this area of the house connection under any circumstances, as it is sealed!
In the TN-C-S network, four wires come from the network operator into the house (three outer conductors and a PEN conductor), and the PEN conductor must be separated into a neutral conductor and a protective conductor. In addition, there is an equipotential bonding connected to earth.
ONLY AFTER THIS SEPARATION (PEN to PE and N) can the EP600, transfer switch, breakers, etc. be connected.
Bluetti’s connection diagram is absolutely identical to my connection diagram: three phases, one neutral conductor and one protective conductor.
Where does the assumption come from that Bluetti does not show PEN/N/PE separation?
.
image

This part of the connection diagram does not mean that 5 wires already enter the house, but that FROM this area (after the electricity meter and the sub-meter fuse) N and PE are separated and must not be reconnected under any circumstances …
.
I hate to repeat myself, BUT YOU ABSOLUTELY NEED AN ELECTRICIAN FOR THIS !!!

2 Likes

Thanks for the clarification, that actually makes perfect sense now.

You’re absolutely right — the PEN-to-PE/N separation happens before the EP600 connection point, so Bluetti’s diagram starts after that stage. I see now that your version just visualizes the upstream part that Bluetti omits for simplicity — nothing contradictory there.

By the way, I’m currently ordering a single-line diagram for the distribution box that will be used with the EP600 setup (designed to support one unit now and a second one later).
Would you mind if I send it to you in private once it’s ready, just to get your opinion on whether the wiring and protection layout look correct?

Thanks again — your explanations are really helping me understand the structure properly.

There is a newer diagram from Bluetti for the ‘EP600_off-grid_Parallel_Connection’. With a new FW for the EP600 (request via support), the backup lines can now also be connected in parallel (as in my diagram). You still posted the old diagram from Bluetti, where both EP600s have to use separate backup connections.
My sub-distribution box was originally only designed for one EP600, but I designed the cable diameters so that I could easily add a second one. I didn’t have to change anything in the design, as the two EP600s are simply connected in parallel.
Of course, I can take a look at your connection diagram when I get the chance, but I don’t know your network operator’s regulations! I can only give you my ‘personal’ opinion on whether I would use it that way in my network…