Dual EP900 and AT1 installation issues

I recently purchased and just installed the AT1 Smart Panel, after I was told by Bluetti Engineering that it was compatible with a dual EP900 setup. I had to change my setup to comply with NEC 705.12 code requirements, and thought the AT1 would be the easiest method to do so.

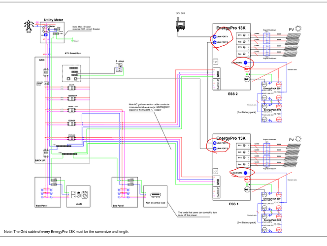
Here is my schematic diagram:

I was given the EP13k + AT1 install manual, and told they have the same procedure. However during the setup I noticed differences in the EP900 layout to the EP13K, and cannot figure out how to link my EP900s to the AT1.


The EP900 only has two link ports, one goes to the EBOX or AT1, the other goes to the battery stack. The EP13k has three Link Ports. I cannot do the daisy chain communication as shown as there are not enough ports.

Also, the diagram show a parallel communication wire, I do not have one, it was not included with the AT1, or either of my EP900s.

EP13k Parallel Installation guide with AT1

EMS controller manual (EBOX)

AT1 manual

Here is my SN of AT1:

Oh, In case it isn’t clear, I’m asking if there is a way to link the Dual EP900 with the AT1, that still maintains the functionality and purpose of the AT1. Grid isolation in outage, EP900s grid connections only, PV AC coupling (charging during outage), smart load shedding, integration of everything in to one unit.

I could always connect it up to how it was before, put the critical load panel on the backup side of the EP900’s, but then I would lose out on PV generation (via AC coupling) during a power outage, and I would have to monitor the AT1 and the EP900s separately. I could have done that without the AT1, and saved a few dollars.

I checked the AT1 User Manual and there is no reference to connecting any EP900 connection to AT1. EP900 is not listed in AT1 manual section 7.5.2 Maximum Current of ESS Configurations. The manual shows EnergyPro 13K, EnergyPro 6K and APEX 300, but no EP900.

The 13K, as you say, has a 3rd Link port for daisy chaining to B500 batteries. The 6K does not have a 3rd Link port, but it is not required because the battery is inside the 6K. The APEX 300 uses a Hub A1 to multiplex the comms links to the AT1. If you look in the 13K and 6K user guides they have a chapter on AT1 integration for parallel systems. The EP900 guide has no mention of any AT1. The only way, according to docs, to parallel connect two EP900 appears to be the EMS box you already have. EMS

Having said all that, perhaps you can setup your pair of EP900 to run in parallel and both with Link#1 port connected to the EMS box ports 1 & 2, I believe as it was designed to do. The first 3 ports on the EMS box are link ports using RJ45 connectors. So you have a spare 3rd port on the EMS box. So it would be a matter of connecting the AT1 comm port (RJ45) to port 3 (RJ45) of the EMS box. Another approach could be to connect both EP900 to EMS Box and connect Link#2 of the last B500 battery to AT1, but you would likely need another link cable. I’m not sure if either of these approaches would work or be supported by Bluetti, or if that is exactly what Bluetti engineering had in mind when they said it was compatible. Perhaps @BLUETTI_CARE can comment ? Bluetti should update the AT1 manual with a section about EP900 connectivity.

1 Like

Yes, I had read the manuals before purchasing, I was told by Bluetti engineers that it was compatible and to use the EP13k instructions. I have since been told by Bluetti that this information was incorrect and it is not compatible. This is very unfortunate as the cost of the AT1 plus installation was 8000$. I don’t know where to go from here, I guess I’ll have to remove the AT1 and have some wiring redone again.

I did try using the EMS box as a hub, with the AT1 comm connections in each port, but it did not work.

I did notice in the early press releases and trade shows featuring the EP13k (as recently as September 2025) , it only had two link ports, not the three listed in the manual.

Hi @CurtisNolting76, Thank you for providing the detailed information.
Our US technical team has received your email. Your service ticket number is #380744, and they will follow up on this matter continuously to troubleshoot the issue. However, as they are currently in the Christmas and New Year holiday period, they will need a few days to reply.
Thank you for your care and explanations, @dmc. I have also passed your suggestions on to the technical team.

Hello, I’ve heard back from Bluetti US team and unfortunately the EP900 is not yet compatible with the AT1 system. However they have offered to replace my current EP900 dual configuration with a dual EP13k system when they become available.

2 Likes

Ok I finally received the replacement dual EP13K and 8 Energypro 500 batteries, I’m in the process of stacking and connecting everything.